泊头市友盛联轴器有限公司是从事联轴器、减速机及支架的研究企业。我公司各种设备多样,产品主要有:梅花形弹性联轴器,鼓形齿式联轴器,弹性套柱销联轴器,弹性柱销联轴器,弹性柱销齿式联轴器,星形弹性联轴器等。详细 
| 地址: | 泊头市小杜庄工业园 |
| 网址: | www.btwdlzq.com |
| 邮箱: | 2690587660@qq.com |

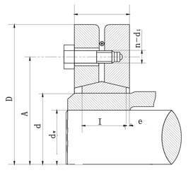
Z7A型胀套是一种轴与轴套之间的无键联结装置,此装置可从外部对轴套施加夹紧力,使轴与轴套之间形成机械压缩配合,而传递扭矩,胀套本身不传递任何力矩及负荷。
当胀套固定到轴套(毂)的合适位置,按给定的力矩拧紧螺栓,锥形内圈向轴套施加径向力,这种强制摩擦联结可 地传递大扭矩和负载。
胀套夹紧时,各配合表面压力很大并 密封,避免了配合面的锈蚀。拆卸时,拧松螺栓,配合面自动放松,轴套及锥形圈自动回复到原始尺寸。
此装置拆装简单,适用于中低速传递扭矩。

